| État de disponibilité: | |
|---|---|
| Quantité: | |
Introduction
Les unités DSI directes UHT sont des systèmes de traitement thermique avancés conçus spécifiquement pour l'industrie des aliments et des boissons. La fonction principale de l'unité UHT directe DSI est de stériliser rapidement et efficacement les produits liquides, assurant la sécurité en détruisant des micro-organismes nocifs tout en maintenant la valeur nutritionnelle, le goût et la couleur du produit. Cette unité UHT directe DSI est généralement utilisée pour les liquides tels que le lait, les jus, les boissons, les soupes et les sauces.
>> fonctionnalité
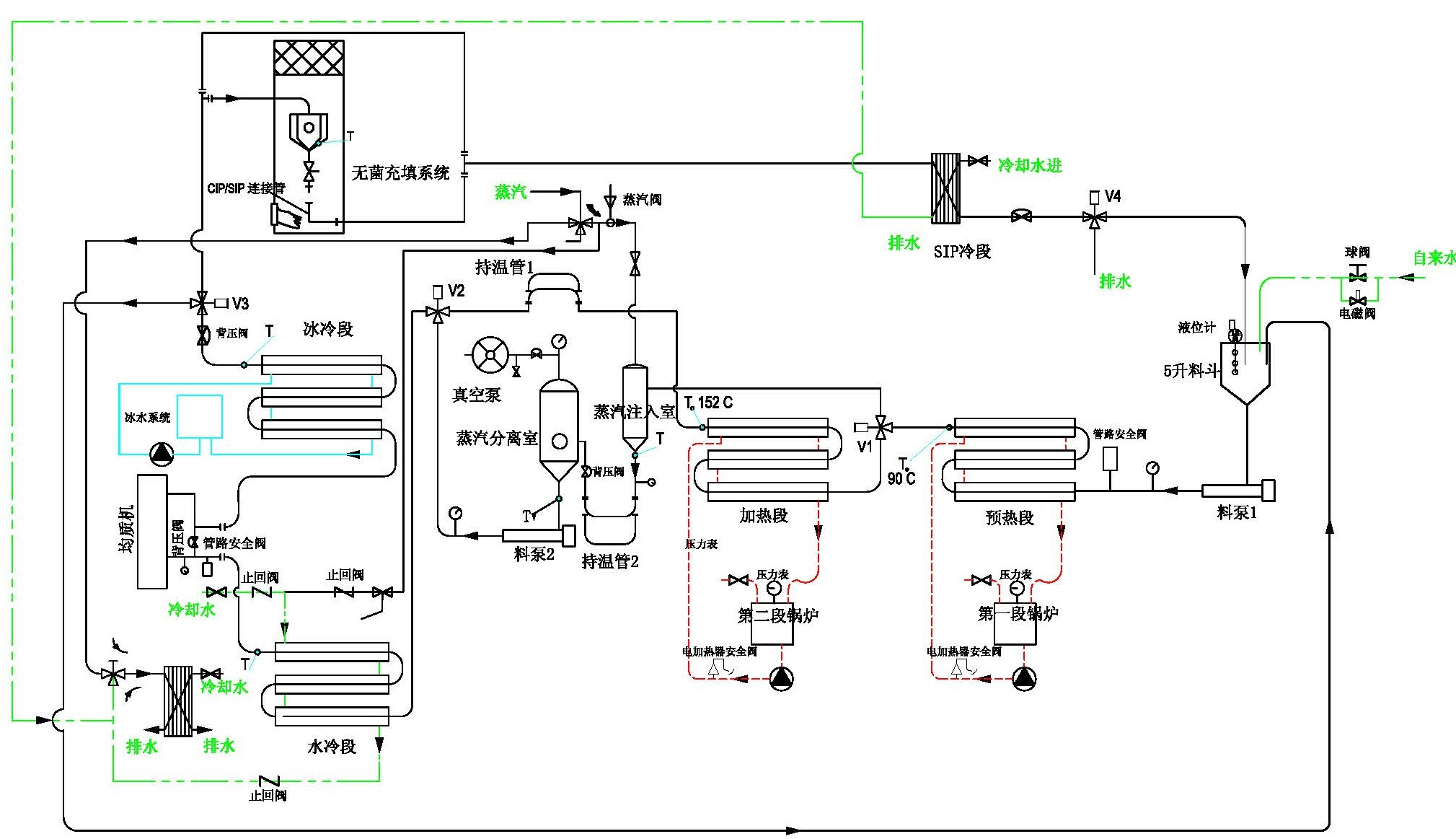
Technologie de chauffage direct: les unités UHT directes DSI utilisent une injection directe de vapeur pour chauffer les liquides. La vapeur est injectée directement dans le produit, augmentant rapidement sa température au niveau de stérilisation souhaité. Cette méthode est plus rapide que le chauffage indirect (comme l'utilisation d'un échangeur de chaleur à plaques) et permet une meilleure efficacité énergétique et des délais de traitement plus rapides.
Stérilisation hautement efficace: Cet unité DSI Direct UHT chauffe les liquides à des températures ultra-élevées (généralement entre 135 ° C et 150 ° C) dans une très courte période de temps, tuant efficacement les bactéries, la levure, la moisissure et d'autres agents pathogènes. Ce chauffage rapide minimise le temps où le produit est exposé à la chaleur, préservant ses qualités sensorielles et son contenu nutritionnel.
Conception économe en énergie: les unités DSI directes UHT sont conçues avec l'efficacité énergétique à l'esprit. Il dispose d'une utilisation optimisée de vapeur et d'un système avancé de récupération de chaleur qui capture et réutilise l'énergie thermique pour préchauffer les produits entrants, réduisant la consommation globale d'énergie et améliorant l'efficacité opérationnelle.
Contrôle de température précis: L'unité DSI directe UHT comprend un mécanisme de contrôle de la température avancé qui ajuste précisément la température et le temps de traitement, garantissant que chaque lot est traité selon des normes de qualité et de sécurité précises.
Fonctionnement automatisé: les unités UHT sont entièrement automatisées et peuvent être facilement intégrées dans les lignes de production. L'unité UHT DSI Direct comprend un PLC (contrôleur logique programmable) avec une interface à écran tactile, offrant aux utilisateurs une surveillance et un contrôle en temps réel du processus de stérilisation. Cette automatisation réduit la nécessité d'une intervention manuelle, de minimisation des erreurs humaines et d'améliorer l'efficacité opérationnelle.
Matériaux premium: L'unité DSI directe UHT est en acier inoxydable et d'autres matériaux de qualité alimentaire pour assurer l'hygiène et la longévité. Il est conçu pour un nettoyage et un entretien faciles, réduisant le risque de contamination croisée entre les lots.
Applications polyvalentes: les unités DSI Direct UHT conviennent à une utilisation avec une variété d'aliments et de boissons liquides, y compris les produits laitiers (par exemple le lait, la crème), les jus, les soupes, les sauces et les boissons aromatisées. Particulièrement efficace pour les produits ayant des exigences de stérilisation strictes, telles que les produits laitiers et les boissons à haute acide.
Avantage
Qualité supérieure du produit: la méthode directe d'injection de vapeur assure une augmentation rapide de la température, aidant à préserver le goût, la couleur et le contenu nutritionnel de votre produit tout en le stérilisant efficacement.
La durée de conservation prolongée: la stérilisation de l'UHT prolonge considérablement la durée de conservation des produits sans avoir besoin de conservateurs ou de réfrigération, aidant à réduire les déchets et à améliorer la stabilité des produits.
Coûts d'exploitation inférieurs: les conceptions économes en énergie et les systèmes automatisés aident à réduire la consommation d'énergie et les coûts de main-d'œuvre. Un système avancé de récupération de chaleur réduit encore les dépenses de fonctionnement globales.
Flexible et adaptable: les unités DSI Direct UHT peuvent être facilement adaptées pour gérer une variété de produits liquides, ce qui en fait une solution polyvalente pour une variété d'applications alimentaires et de boissons.
>> Diagramme schématique de la stérilisation par injection de vapeur:
>> organigramme

Paramètre technique
Plage de températures de chauffage: 135 ℃ à 150 ℃
Capacité de traitement: varie en fonction du modèle, généralement des centaines à des milliers de litres par heure.
Méthode de chauffage: Injectez la vapeur directement dans le produit.
Système de contrôle: Automatisation basée sur PLC avec interface à écran tactile; Surveillance à distance possible.
Fonctions de sécurité : y compris la protection contre la température, l'alarme haute tension et d'autres mécanismes de sécurité.
Matériau: en acier inoxydable de haute qualité et autres matériaux de qualité alimentaire.
>> Configuration
|
|
| Avantages:
|
|
|
|
|
| Fonction de contrôle du niveau de la trémie
|
|
|
|
|
Application
Produits laitiers (lait, crème, yaourt)
Jus de fruits et boissons
Soupes et sauces
Boissons aromatisées et boissons non laitières
Soupes et sauces prêtes à manger

Service
Garantie d'un an
Installation et débogage sur place
Service de test d'échantillon de matériau par notre machine de stérilisation en laboratoire
Service accessoire pasteurizer à long terme
>> FAQ
Q: Qu'est-ce qu'une unité DSI directe UHT?
R: Une unité directe de l'UHT (ultra-haute température) est un système de traitement thermique utilisé pour stériliser les aliments et les boissons liquides en chauffant rapidement à des températures ultra-élevées (généralement de 135 ° C à 150 ° C) dans un très court laps de temps. Ce processus tue des micro-organismes nocifs tout en préservant le goût, la couleur et la valeur nutritionnelle du produit.
Q: Comment fonctionne une unité UHT DSI?
R: Les unités UHT directes utilisent de la vapeur pour injecter la chaleur directement dans le produit, augmentant rapidement sa température au niveau de stérilisation souhaité. La vapeur se mélange avec le produit et la chaleur de la vapeur stérilise le liquide. Le chauffage rapide minimise l'exposition à la chaleur et réduit la perte de saveur et les nutriments.
Q: Quelle est la capacité de l'unité DSI directe UHT?
R: La capacité de l'unité dépend du modèle spécifique. Il peut traiter des centaines à des milliers de litres par heure. Les modèles personnalisés peuvent être conçus pour répondre aux besoins de production spécifiques.